我要收藏
公共资源调用站点
文章分享
各县(市、区)人民政府,各开发园区管委,市政府各委办局:
《玉林市市辖区征收集体土地青苗和地上附着物补偿标准(2023年更新调整)》已经市人民政府同意,现印发给你们,请认真贯彻执行。
玉林市人民政府办公室
2023年5月25日
玉林市市辖区征收集体土地青苗和地上附着物补偿标准(2023年更新调整)
根据《中华人民共和国土地管理法》有关规定,按照《广西壮族自治区人民政府办公厅关于做好新一轮征地区片综合地价实施工作的通知》(桂政办函〔2023〕6号)有关要求,结合实际,制定本标准。
一、青苗
(一)农作物和林木
1.定植苗







注:(1)表中符号“Φ”代表苗木主干直径,果树苗木在高于正常种植地面5cm处量取;其它苗木在高于正常种植地面130cm处量取。
(2)应对宿根二代苗补偿的,只对其中一棵主干苗补偿。
2.种苗
具备续种场地条件的,应实行异地续种搬迁,给予搬迁移栽损失补偿和搬迁移栽补助费;不具备续种场地条件的,应实行限期销售迁离,给予限期销售损失补偿费(对同一青苗只给予异地续种搬迁补偿补助费或者限期销售损失补偿费)。

(二)观赏性花木
1.容器苗

2.地植苗和假植苗
具备续种场地条件的,应实行异地续种搬迁移栽,按合理性成本给予搬迁移栽补助费,搬迁移栽造成损失的,按合理损失给予补偿费。不具备续种场地条件的,应实行销售迁离,按限期销售收益不足正常销售收益的合理性损失给予补偿费,不直接以其市场价值补偿。对同一青苗只给予异地续种搬迁移栽补偿补助费或者限期销售损失补偿费,具体由征地机构委托专业机构进行单独评估,参考评估结果确定。
二、动物
具备续养场地条件的禽畜类和爬行类(龟、鳖、蛇等)动物应实行异地续养搬迁,给予搬迁损失补偿和搬迁补助费;鱼类、甲壳类(虾、蟹等)动物和不具备续养场地条件的禽畜类、爬行类动物应实行限期销售迁离,给予限期销售损失补偿费(对同一动物只给予搬迁补偿补助费或者限期销售损失补偿费)。


三、建构筑物
建构筑物补偿费=建构筑物补偿系数×建构筑物建造重置价×建构筑物成新度,其中:
(一)建构筑物补偿系数
根据原投资建设者与其所占土地所有权集体的从属关系以及用地审批、建设工程规划许可、建设时间、所处区位、现所有者办理建构筑物补偿手续时机等因素,分类确定:

注:(1)表中“本组织”是指被占土地所有权集体经济组织;“村庄范围”是指村庄规划建设用地范围,未依法制定村庄规划的,指建设占用土地之前已事实存在的村庄建成区范围;“规划许可证”是指建设工程规划许可证。
(2)表中“土地执法拆除”指由土地执法部门依法拆除;“工规执法拆除”指由工程规划执法部门依法拆除。
(3)《中华人民共和国城市规划法》于1990年4月1日发布施行;《村庄和集镇规划建设管理条例》于1999年11月1日发布施行;《国务院办公厅关于严格执行有关农村集体建设用地法律和政策的通知》于2007年12月30日下发;《中华人民共和国城乡规划法》于2008年1月1日发布施行。
(二)建构筑物建造重置价
建构筑物建造重置价=重置单价标准×被征收数量。
1.房屋主体建造重置单价标准


注:表中符号“H”代表房屋层高(米),砖瓦木房屋顶层层高算至侧面山墙顶三角斜线中点,层高增减以0.3米为一级;表中“间均面积”是指同一楼层内各间平均面积,等于本层总建筑面积除以本层间数;“间”是指楼层内以四面砖墙围合的空间,包括客厅、餐厅、卧室、厨房、卫生间、储物间、梯间、廊道等。
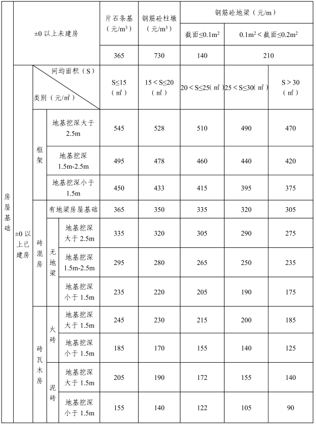
2.房屋基础建造重置单价标准

3.房屋装修构件建造重置单价标准




4.简易房屋建造重置单价标准

注:①本表所称简易房是指四周以砖砌墙体为承重墙且完整封闭但±0以上房高不足2.5米的单层房屋,不包括装配式板房。
②表中符号“H”代表简易房高(米),砖瓦木简易房房高算至侧面山墙顶三角斜坡线中点,房高增减以0.3米为一级。
5.简易棚建造重置单价标准

6.宗祠、社头(土地庙)建造重置单价标准

7.其它建构筑物建造重置单价标准


(三)建构筑物成新度
原已毁坏不能使用的,成新度为零;尚能使用的,其中:
1.房屋及简易房屋成新度评定标准


2.房屋装修构件成新度评定标准

3.其它构筑物成新度评定标准

四、房屋临时过渡
实行货币化临时过渡安置的,过渡安置费=过渡安置面积×过渡安置时间×过渡安置费标准。过渡安置费标准如下:

五、可移物品

六、坟墓
(一)坟墓补偿费标准


(二)迁坟安置补助费标准

注:(1)表中符号“D”是指本市市直属机关事业单位工作人员死亡丧葬费现行标准5000元/人(不含抚恤金等其它费用);
(2)“有效凭证”包括族谱、碑誌、骨瓮标记、死亡证明、火化证明、图件、村(社区)证明等。
七、其他
1.本标准适用于本市玉州区(含玉东新区)、福绵区行政管辖范围内2023年1月1日(含)后经有批准权限的人民政府批准征收集体土地的青苗和地上附着物补偿。
2.具体事项由玉林市自然资源局负责解释。
文件下载:
玉林市人民政府办公室关于印发玉林市市辖区征收集体土地青苗和地上附着物补偿标准(2023年更新调整)的通知1.doc
解读